/pub/cbm/schematics/computers/c128/power/

Power supplies of the Commodore 128 computers
Scanned by Martin Buchty, uploaded by Oliver Weissflach, improved by William Levak

Files

ps-128.gif 1999-11-17 57798
External switching power supply for the flat Commodore 128. This looks like a hand-made copy of the Mitsumi power supply schematic, Commodore part number 252449-01, page 78 of the service manual.
ps-128d-german.gif 2000-03-09 124231
Internal switching power supply for the 128D (plastic case), German version (Schaffer BV 223-5-04008)
ps-128d-japanese.gif 2000-03-09 107532
Internal switching power supply for the 128D (plastic case), Japanese version (Nagano Japan Radio Co. Ltd, 310639-03, NJD-1978)
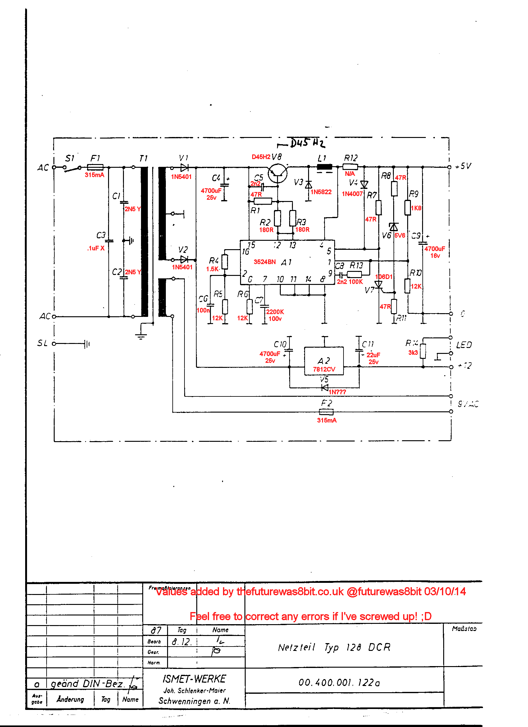
ps-128dcr-usa.gif 2000-08-18 568269
Internal switching power supply for the 128DCR (metal case), USA version; includes measurement points and expected waveforms
ps-128dcr1.gif 1999-11-17 50675
Internal switching power supply for the 128DCR (metal case), 1st version (linearly regulated 12 volts DC output)
ps-128dcr2.gif 2000-03-09 108721
Internal switching power supply for the 128DCR (metal case), 2nd version (Tohoku Metal Industries 1403Et, 5628-C001-00)

Mirror sitesGeneral informationFile typesData transfer

The Commodore brandname and the chickenhead logo are property of Commodore International Corp.