[Prev] [Next] [Contents] [Commodore] [New] [Search] [Home]

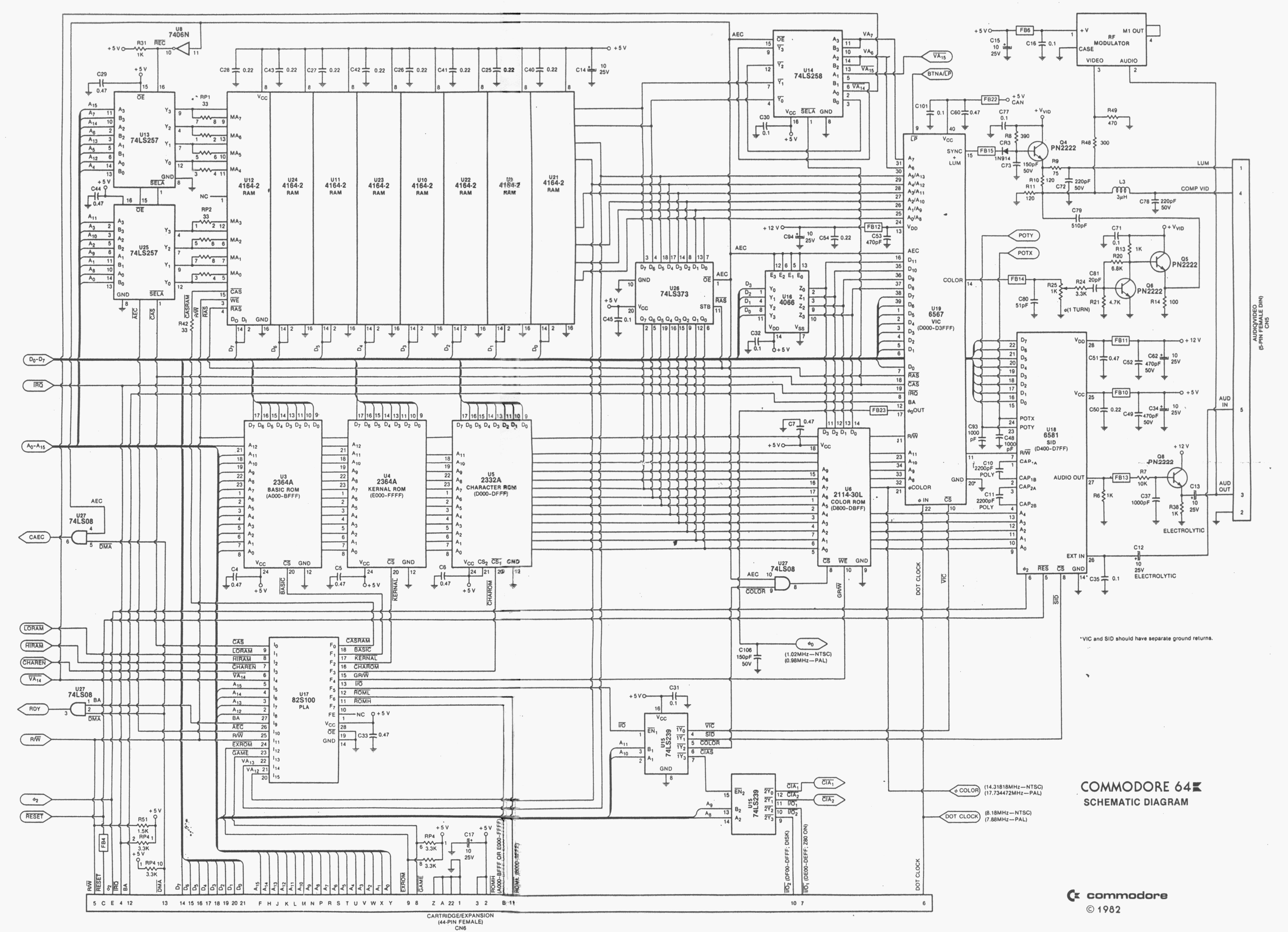
[Schematic - sheet 1 of 2] [Schematic - sheet 2 of 2]


[Prev] [Next] [Contents] [Commodore] [New] [Search] [Home]
This page has been created by Sami Rautiainen.
Read the small print. Last updated December 27, 2002.