[Prev] [Next] [Contents] [Commodore] [New] [Home]


COMMON I.C.'S
PIN ASSIGNMENTS AND LOGIC


7417574LS17574F175
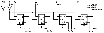
QUAD D-TYPE FLIP-FLOP

PIN ASSIGNMENT
LOGIC DIAGRAM

TRUTH TABLE

OPERATING MODE INPUTS OUTPUTS
CP
Reset (clear)
Load "1"
Load "0"
L
H
H
X

X
h
l
L
H
L
H
L
H
H = HIGH voltage level steady state.
h = HIGH voltage level one setup time prior to the LOW-to-HIGH clock transition.
L = LOW voltage level steady state.
l = LOW voltage level one setup time prior to the LOW-to-HIGH clock transition.
= LOW-to-HIGH clock transition.
X = don't care.


74LS24174F241
OCTAL BUFFER, TRI-STATE

PIN ASSIGNMENT
LOGIC DIAGRAM
TRUTH TABLE

INPUTS OUTPUTS
Ya Yb
L
L
H
L
H
X
H
H
L
L
H
X
L
H
(Z)
L
H
(Z)
H = HIGH voltage level
L = LOW voltage level
X = Don't care
(Z) = HIGH impedance (off) state


74LS266
QUAD 2-INPUT EXCLUSIVE NOR GATE (OPEN COLLECTOR)

PIN ASSIGNMENT
LOGIC DIAGRAM

TRUTH TABLE

INPUTS OUTPUT
A B Y
L
L
H
H
L
H
L
H
H
L
L
H
H = HIGH voltage level
L = LOW voltage level


[Prev] [Next] [Contents] [Commodore] [New] [Home]
This page has been created by Frank Kontros.
Last updated May 21th, 1998.